Ana sayfa | Dairesel Testereler | Fibercement Kesim Testeresi (PCD)

Fibercement Kesim Testeresi (PCD)

Yüksek performanslı, yoğun fibercement (hekimboard, ekobord, betopan) kesimlerinde kullanılır. Testere uçları carbide-dia (Polycrystall Diamond) uçludur. Testere gövdesindeki soğutma kanalları, testerenin ısıdan kaynaklı yalpalama yapmasına engel olur.

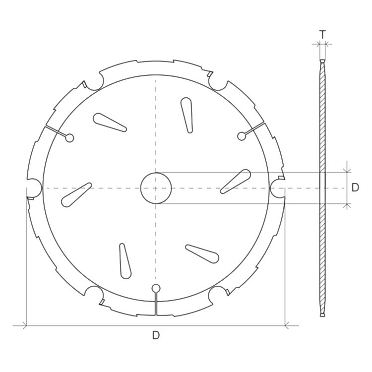
Teknik Çizim

Teknik Özellikleri

Çap (D)Kalınlık (T)Delik (D)Diş Sayısı (Z)
184 mm1.80 mm30 mm6
235 mm2.00 mm30 mm6
255 mm2.20 mm30 mm6
305 mm2.40 mm30 mm8
  • Fabrikasyon hatalara karşı garantilidir.
  • Betopan kesiminde üstün performans sağlar.
Türkiye Yetkili Satıcısı: Tesa Makine
Whatsapp Satış Hattı
Tesa Makine ile iletişime geçtiğiniz için teşekkürler!